| Start
Experimente
- Röhre EF95
- Verstärker
- Zwei Stufen
- Stereo
- KW-Audion
- 6SH1P
- 2SH27L
- RT100
- Schaltregler
- EF98-Audion
- RT25
- Schmitt-Trigger - Röhre 6K4P - Theremin - Drehkotipps
Grundlagen
Produkte
Neues
Impressum
|
Experimente mit der HF-Pentode 6K4P

Die
6K4P ist eine Regelpentode für HF- und ZF-Verstärker. Sie
entspricht weitgehend der EF93, allerdings mit interner Verbindung
zwischen Kathode und Gitter 3. Die Röhre ist für allgemeine
HF-Anwendungen wie Antennenverstärker, Mischer und
Audionschaltungen geeignet und kommt z.B. in einem Audion mit einer
kleinen Betriebsspannung ab 6 V aus. Die 6K4P lässt sich gut
für einfache Röhrenexperimente und für die Ausbildung
verwenden. Besonders der Regelumfang von 40 dB eröffnet
interessante Möglichkeiten. Die Pinbelegung entspricht der EF95,
sodass EF95-Experimente auf dem RT100 ohne Schaltungsänderungen
auch mit der 6K4P durchgeführt werden können.
Im Online-Shop ist jetzt ein Starterkit
mit zwei dieser Röhren mit passenden Fassungen, Dreko und
weiteren nützlichen Bauteilen erhältlich. Hier soll eine
Übersicht über mögliche Versuche gegeben werden. Alle in
ELEXS vorgestellten Versuche mit der EF95 und mit der EF98 sind auch
mit der 6K4P machbar. Teilweise kann die Anodenspannung gegenüber
der EF95 noch weiter reduziert werden. Der reine 6-V-Betrieb ist
möglich.
|

|
Um
einen ersten Überblick über das Verhalten der Röhre bei
12 V zu bekommen, wurden einige Messungen mit unterschiedlichen
Gitterwiderständen durchgeführt. Es fällt auf, dass die
Röhre auch noch mit sehr großen Gitterwiderständen gut
arbeitet. Im Gegensatz zu nicht-regelbaren Pentoden (sharp cutoff) wie
der EF95 nimmt der Anodenstrom nicht so schnell ab. Zwischen den beiden
Messpunkten für 100 k und 1 M kann man die
Steilheit bestimmen: S = (0,66 mA- 0,48 mA) / (0,39 V- 0, 22 V ) =
1,06 mA/V. Zwischen den beiden folgenden Messungen wird die Steilheit
mit 0,52 mA/V bestimmt. Man sieht, dass die Steilheit mit negativerer
Spannung allmählich abnimmt, was für eine Regelpentode
ausgenutzt wird.
|
| Gitterwiderstand | Gitterspannung | Anodenstrom | | 1 k | -9 mV | 0,9 mA | | 10 k | -75 mV | 0,88 mA | | 100 k | -220 mV | 0,66 mA | | 1 M | -390 mV | 0,48 mA | | 10 M | -640 mV | 0,35 mA |
|
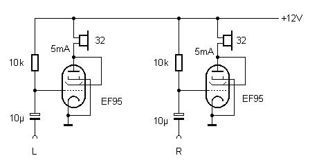
Braucht
man mehr Anodenstrom, dann darf das Steuergitter auch leicht positiv
vorgespannt werden. Eine beliebte Schaltung ist der
Kopfhörerverstärker mit 12 V Anodenspannung. Die 6K4P bring
hier praktisch die selben Ergebnisse wie die EF95.
|

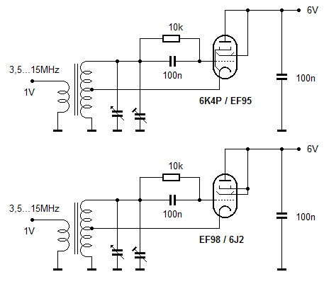
| Auch
die klassische Audionschaltung bei nur 6 V wurde mit der Röhre
getestet. Die 6K4P ist in dieser Schaltung der Niedervoltröhre
EF98 ebenbürtig. Man kann sogar noch größere
Gitterwiderstände als bei der EF98 verwenden. |

Kurzwellen-Prüfsender auf der Steckboardplatine

Die
neue Steckboardplatine hat sich als ideale Basis für kleine
Röhrenexperimente mit dem Starterkit erwiesen. Die verwendeten
Fassungen lassen sich leicht auflöten, wenn man die Anschlüsse passend
biegt. Alle Abschlüsse der Röhre sind dann an eigenen Kontaktstreifen
zugänglich. Die 6 k4P hat im Wesentlichen die gleiche Pinbelegung wie
die EF98, die EF95, die 6J1 und die 6K2. Der Unterschied liegt nur in
der inneren Verbindung zwischen Gitter 3 und Kathode bei der EF95 und
der 6K4P, während die EF95 ebenso wie die 6J2 das Gitter 3 einzeln am
Pin 7 herausführen. Damit hat man die Möglichkeit das Bremsgitter
direkt an GND zu legen oder aber die Pentode als Triode zu betreiben.
Das
Foto zeigt einen Testaufbau eines Kurzwellen-Prüfsenders für den
Bereich 3,5 MHz bis 15 MHz für alle diese Röhren. An der Koppelwicklung
der Kurzwellenspule wurde eine Ausgangsspannung von 1 V gemessen. Die
Anodensapnnung beträgt 6 V. Der gelötete Aufbau auf der Platine bringt
eine gute Zuverlässigkeit und Stabilität des Oszillators.
Steckboardplatine: www.ak-modul-bus.de/stat/steckboardplatine.html Röhren-Starterkit: www.ak-modul-bus.de/stat/roehren_starterkit.html Röhre 6J2: www.ak-modul-bus.de/stat/roehre_6j2.html Experimentiersystem RT25: www.ak-modul-bus.de/stat/experimentiersystem_roehrentechnik_rt25.html Experimentiersystem RT100: www.ak-modul-bus.de/stat/experimentiersystem_roehrentechnik_rt100.html |

zurück
|