| Start
Experimente
Grundlagen
Produkte
- ProfiLab - REL+RD30 - Alarm
Neues
Impressum
|
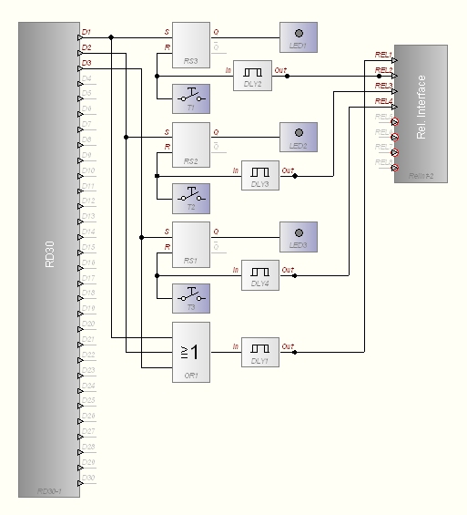
ProfiLab Expert 4.0Relais-Interface und RD30

Mit ProfiLab
Expert lassen sich mit wenig Aufwand spezielle Überwachungs- und Steuerungsaufgaben lösen. Hier soll das Relais-Interface zusammen mit dem RD30
zum Einsatz kommen. Das RD30 besitzt 30 digitale Eingänge. Sie
sollen hier verwendet werden, um Knöpfe einer Klingelanlage
abzufragen. Ein kurzer Druck auf Knopf am Eingang 1 des RD30 schaltet
die zugehörige LED mit der Beschriftung "Tür 1" ein. Sobald
eine verantwortliche Person auf den zugehörigen virtuellen Knopf
drückt, wird der Türöffner betätigt und die LED
geht wieder aus. Dieses Verhalten wird durch ein RS-Flipflop erreicht. |

Auch
ein kurzer Druck auf den virtuellen Öffner-Knopf betätigt den
Relais-Ausgang mindestestens eine Sekunde lang. Hier wird ein
Verzögerungsglied eingesetzt. Mit der rechten Maustaste gelangt
man zu den Eigenschaften. Hier wurde eine Ausschaltverzögerung von
50 * 20 ms = 1000 ms eingestellt.
|

Eine
Besonderheit der Kombination Relaisinterface + RD30 ist, dass
hier zwei Geräte eine einzige COM-Schnittstelle teilen. Beide
sind an COM1 angeschlossen., wobei das Relais-Interface die
Schnittstelle an das RD30 weiterreicht. Das funktioniert deshalb, weil
in Senderichtung nur das Relais-Interface angesprochen wird,
während das RD30 nur den Empfangskanal benötigt. Die
Schnittstelle kann übrigens auch noch zur Laufzeit des Programms
verändert werden.
Download: ProfiLab2.zip (3 KB) |

|