| Start
Experimente
Grundlagen
Produkte
- ProfiLab - REL+RD30 - Alarm
Neues
Impressum
|
ProfiLab Expert 4.0Relais-Interface und RD30, Funktionserweiterungen

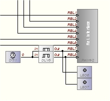
Gebäude 2: Alarmanlage Das Programm Gebäude 1 wird durch Fenster und Türüberwachung erweitert.
2
Blöcke aus je 6 Eingängen (Block 1 D7-D12 / Block 2 D13-D18)
vom RD30, schalten über ein FlipFlop je Block die Relais 5 und 6
am Relais-Interface.
Wird
ein Eingang gesetzt, geht das dazugehörige RS FlipFlop auf high
und schaltet das für den Block eingesetzte Relais und damit das
Alarmsignal. Die LED auf der Frontplatte zeigt an, in welchen Block der
Alarm ausgelöst wurde. Der Alarm bleibt solange bestehen bis der
Taster auf der Frontplatte gedrückt wird.
|

Gebäude 3: Zeitschaltuhr
Das
Programm Gebäude 2 wird durch die Zeitschaltuhr erweitert.
Über eine einstellbare Uhr können die Relais 7 und 8 ein- und
ausgeschaltet werden. Durch Klicken auf die Uhr wird eine Liste
geöffnet in der mehrere Zeiten und die jeweiligen
Schaltzustände programmiert werden können.
Anwendungsbeispiel: Licht ein- und ausschalten in Fabrikhalle
Zusätzlich
zur Zeitsteuerung können die Relais auch über die
Zeitverzögerung unterschiedlich geschaltet werden. Anwendungsbeispiel: Produktionsabschnitt der einen Nachlauf benötigt
|

Gebäude 4: Erweiterung um acht zusätzliche Relaisausgänge
Es
kann ein weiteres Relais Interface mit der Geräteadresse 2
angeschlossen werden, das über die Schalter auf
der Frontplatte manuell gesteuert werden kann.
Zusatz für alle Programme: Bei
allen Programmen kann man für jede Funktion auch Schnelltasten
(Hotkeys) zuweisen. Und natürlich kann jedes Programm für
spezielle Bedürfnisse individuell angepasst werden.
Download der drei Programme: ProfiLab3.zip (8 KB) |
|