| Start
Experimente
- Direktmischer
- Direktmischer 2
Grundlagen
Produkte
Neues
Impressum
|
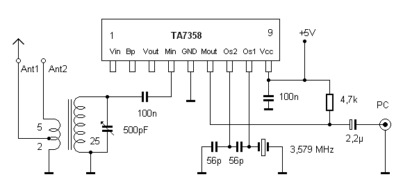
Direktmischer
Einfachster Kurzwellenempfänger mit TA7358AP

| Direktmischer werden gern für die ersten Schritte
in den Amateurfunk eingesetzt. Ein HF-Signal wird dabei direkt in den NF-Bereich
heruntergemischt. Das Verfahren eignet sich sehr gut für CW- und SSB-Empfang.
Im Prinzip leistet ein Direktmischer dasselbe wie ein IQ-Mischer
mit dem Unterschied, dass es keine Spiegelfrequenzunterdrückung gibt.
Er ist damit so etwas wie der vereinfachte Einstieg in die SDR-Technik.
Oft verwendet man den integrierten Oszillator und Mischer NE612 für
diesen Zweck. Hier soll das japanische IC TA7358 (Datenblatt)
im SIL9-Gehäuse eingesetzt werden, das man preiswert bei Reichelt
bekommt. Das Innenleben entspricht weitgehend dem des NE612. Zusätzlich
enthält der TA7358 noch einen HF-Vorverstärker in Basisschaltung,
der jedoch hier nicht eingesetzt wird. Der Mischer ist ein syymmetrischer
Balancemischer, wobei jedoch nur ein Eingang (Min) und ein Ausgang (Mout)
an die Pins gelegt sind. Der Ausgang braucht einen externen Arbeitswiderstand.
|

| Im ersten Versuch wurde ein Standard-Quarz mit 3,579
MHz verwendet. Der Empfänger arbeitet damit im CW-Bereich des 80-m-Bands.
Alternativ können auch andere Frequenzen verwendet werden. Am Mischer-Eingang
liegt ein Schwingkreis zur Vorselektion und zur Antennenanpassung. Die
Spule hat 25 Windungen. Man kann den Bereich zwischen 3,5 MHz und 16 MHz
abstimmen. Die Koppelspule hat zwei Wicklungen für lose und festere
Ankopplung. An langen Antennen muss die lose Kopplung (2 Windungen) verwendet
werden, um den Mischer nicht zu übersteuern.
Der Ausgang des Mischers führt auf eine Klinkenbuchse zum Anschluss
der PC-Soundkarte. Damit kann der PC-Lautsprecher eingesetzt werden. Außerdem
kann man spezielle Software wie SDRadio einsetzen und damit einen Bereich
von ca. -24 kHz bis +24 kHz abstimmen. So kann man mit dem Direktmischer
auch AM (meist Rundfunk) und FM (z.B. CB-Funk) empfangen. Auch der Empfang
von DRM-Stationen ist möglich.
|

| Alternativ zu einem Quarz lässt sich auch ein
programmierbarer Oszillator einsetzen. Der Oszillator auf der Basis des
ICS703-2 setzt seine Quarzfrequenz
in ein Signal zwischen 2 MHz und 30 MHz um.Damit lassen sich alle Kurzwellenbänder
empfangen. |


| Zur Einstellung der Oszillatorfrequenz gibt es das
Programm ICS307-2b. Der Schieberegler stellt kleine Schritte von 1 kHz
bzw große Schritte von 10 kHz bereit. Am Ausgang erscheint jeweils
die nächste erreichbare Frequenz.
Download ICS307-2b.exe (ICS307-2b.zip,
39KB mit VB-Quelltext)
|


Nachtrag: Vergleich mit dem NE612 und Verbesserung
der Großsignalfestigkeit
Weitere Versuche haben folgendes ergeben: Die Schaltung wird an einer
langen Antenne relativ leicht übersteuert. Es wurde deshalb versucht,
ob ein NE612 besser funktioniert. Die Versuche zeigten gleiche Ergebnisse
für beide ICs. Um die Übersteuerung zu vermeiden, sollte man
den Eingang an eine tiefe Anzapfung der Schwingkreisspule legen. Außerdem
hat es sich gezeigt, dass ein Arbeitswiderstand von 1 kOhm besser ist als
der zuerst verwendete mit 4,7 kOhm.
Das Datenblatt des TA7358 schlägt einen Massekonensator an Pin
2 vor. Es wird nicht ganz klar, ob er nur für den Vorverstärker
oder auch für den Mischer wichtig ist. Es konnte keine eindeutige
Verbesserung festgestellt werden, aber ein Keramikkondensator mit 100 nF
am Pin 2 kann jedenfalls nicht schaden.
|
Bauteile im Online-Shop von AK MODUL-BUS:
Drehko
500 pF
Spulenkörper
mit Schraubkern
Programmierbarer
Oszillator mit ICS703-2
|