| Start
Experimente
- Direktmischer
- Direktmischer 2
Grundlagen
Produkte
Neues
Impressum
|
Direktmischer 2

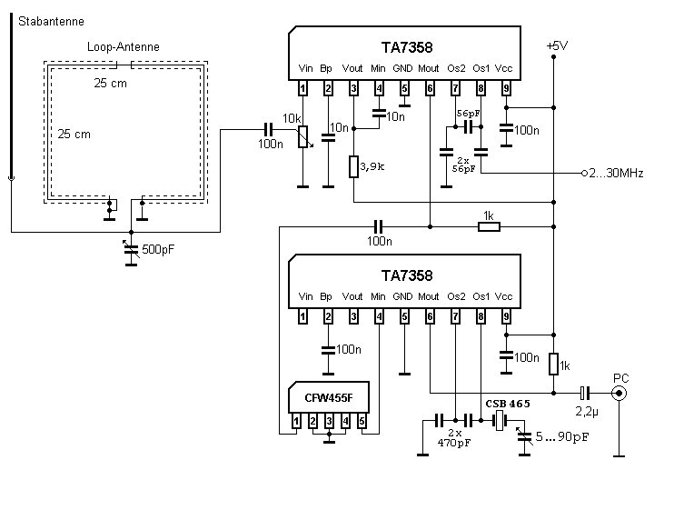
| Der einfache Direktmischer lässt sich leicht
zu einem kompletten Superhet erweitern. Dieser Entwurf von Dirk Neyen (dirk.neyen@freenet.de)
kombiniert zwei Mischstufen mit einem ZF-Keramikfilter und einer magnetischen
Antenne. Damit ergibt sich eine gute Empfangsleistung bei geringen Kosten.
Als VFO wird der ICS307-2 eingesetzt. Das
Steuerprogramm wurde noch einmal verbessert und arbeitet nun auch mit einer
ZF-Ablage von 455 kHz. Es wurde eine Menüleiste mit den Bereichen
DRM, Kurzwellenbänder, Amateurfunkbänger und Fax/SSTV eingebaut.
Das Programm nimmt nicht mehr so viel Platz auf den Desktop ein. Über
die Menüleiste kann man dann schnell auswählen was man hören
möchte, oder auch nur austesten was mit dem Direktmischer möglich
ist.
Download des Steuerprogramms
(ICS703-2_DN-3.zip, 131 KB)
|

| Das Programm erlaubt die Auswahl der Kurzwellenbänder.
Außerdem kann man jede Frequenz direkt eingeben. Für jede Eingabe
wird dann zuerst geprüft, ob sie im Bereich 2000 - 30000 kHz und ob
eine gültige Eingabe vorliegt. Außerdem wurde Amateur-FAX/SSTV
eingebunden und auch die Wetterfax-Stationen DDH3, DDK3, DDK6. |



| Direktmischer mit einer Röhre
Der Oszillator kann auch andere Mischer steuern. Dirk Neyen hat einen
Mischer mit der 12SH1L aufgebaut, die in ihren Daten der EF95
mit anderer Heizspannung entspricht. Die Oszillatorspannung wird hier dem
Schirmgitter zugeführt.
|


|