Vor einiger Zeit bin ich (recht spät) auf die TPS aufmerksam geworden.
Da ich keinen Holtek MCU besitze, habe ich aus den gut sortierten und
dokumentierten Links dieser Seite eine TPS mit einem Attiny2313
nachgebaut. Kurz darauf baute ich eine weitere TPS mit dem Attiny2313
welche mit einer CR2032 Batterie läuft. Das war perfekt um auf der
Couch zu programmieren. Ich fragte mich, ob es nicht auch kleiner geht.
Und so habe ich tatsächlich, mit viel Trickserei, eine TPS mit einem
Attiny85 (8 Beiner) aufgebaut.
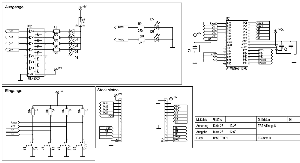
Was jetzt noch fehlte war klar: Eine TPS mit dem Atmega8, denn der
würde mir neben der PWM auch ADC Eingänge bescheren. Als Konzept diente
mir die alte C-Control Steuerung von Conrad. Denn die TPS baute ich
dementsprechend auf und entwickelte eine Platine welche steckbar ist.
Dieses kleine steckbare Board kann ich nun auf eine
"Entwicklungs-Platine" aufstecken, auf der unter anderem die RS232
Schnittstelle drauf ist, Spannungsversorgung, Relais und später auch
ein LCD auf dem dann die einzelnen Kommandos und Daten als String
angezeigt werden (Für die Binär- und Hexfaulen unter uns).
Die Firmware meiner TPS habe ich in AVR Studio programmiert und einige Änderungen vorgenommen.
Zusätzlicher ADR Taster, welcher bei Tastendruck im Programmiermodus
die aktuelle Adresse anzeigt. Erleichtert ungemein das Durchblättern
von Code
Die beiden PWM Ausgangs-LEDs zeigen im Programmiermodus an ob gerade
das Kommando oder die Daten eingegeben werden
Die Taster S1 und S2 bleiben hardwaremäßig gleich und schalten gegen
Masse. Im Programm jedoch bedeutet nun S1=1 oder S2=1 das diese
aktiviert bzw. Gedrückt wurden. Das ist vom logischen Verständnis
leichter zu verstehen.
Die Ausgabe-LEDs lassen sich per Jumper ausschalten
Auf die Platine wurde ein ULN2003 gesetzt. Damit kann man nun die 4
Ausgänge mit bis zu 500mA belasten und direkt Relais oder andere Lasten
anschließen
Es wurde ein Emulator in Visual Basic geschrieben welcher einfach zu
bedienen ist, die TPS Programme simulieren kann und gleichzeitig direkt
vom PC auf die TPS übertragen kann (noch in der Betaphase)
Hinzugekommen
ist die LCD Ansteuerung im Programmiermodus (Pinbelegung steht im Quellcode).
Außerdem wurden alle Delays gegen Timer getauscht. Dadurch ist es möglich, dass
der Controller zwischendurch noch andere Sachen erledigen kann, quasi
Multitasking. Das ist sinnvoll, wenn die TPS zum Beispiel 60 Sekunden in einem
Befehl hängt und man mit Tasten/Eingängen dazwischenfunken möchte.