DRM
- Digitaler Rundfunk unter 30 MHz
Digitaler Rundfunk löst langfristig das gute alte AM-Radio ab. Wer jetzt ganz am Anfang mit dabei sein will, ist noch auf einen PC mit entsprechender Decodersoftware angewiesen. Dafür lassen sich aber sehr einfache Empfänger einsetzen. Auch dem wenig in HF-Dingen erfahrenen Hobbyanwender gelingt der Aufbau eigener Empfänger. Hier soll ein Überblick gegeben werden.
Für das Buch "DRM-Empfangspraxis" konnte ich Ulf Schneider als Mitautor gewinnen. Er hatte bereits lange Erfahrungen im Umbau von Kurzwellenempfängern und liefert dazu eine spezielle Mischerbaugruppe von 455 kHz auf 12 kHz, der Ausgangs-ZF zum Anschluss an die PC-Soundkarte. Außerdem ist er auch auf der Senderseite aktiv mit an der Entwicklung beteiligt. Wenn jemand mal einen DRM-Rundfunksender braucht, muss er Ulf Schneider fragen.
Erste Versuche:
Meine ersten Gehversuche im Bereich DRM sieht man noch in der Bastelecke.
Zuerst habe ich mit einem ZF-Mischer versucht, sehr einfache Kurzwellenradios
für DRM umzurüsten. Es hat aber einfach nicht geklappt. Ich konnte
das typische DRM-Spektrum sehen, aber es gab keine Decodierung. Später
habe ich dann herausgefunden, dass sehr einfache Radios die hohen Forderungen
an die Stabilität des ersten Oszillators nicht einhalten können.
Die ersten wirklichen Erfolge hatte ich mit einem Transistor-Audion.
Und dann hat es mich richtig gepackt. Die alten HF-Geister wurden wieder
geweckt. Für das Buch habe ich viele Schaltungen aufgebaut und getestet
(die guten ins Buch, die schlechten in den Papierkorb...) und ungezählte
Stunden DRM gehört. Im letzen Sommer habe ich meinen Freund Heinz
im Schwarzwald besucht und konnte erfreut feststellen, dass er auch
schon am Thema DRM war. Ihm verdanke ich die Erfahrung, dass man mit einer
wirklich guten Antenne und einem Schottky-Ringmischer an einem DDS-Oszillator
sehr erfolgreich DRM empfangen kann.
Direktmischer:
Zurück aus dem Sommerurlaub habe ich mitbekommen, dass Elektor
einen DDS-Prüfsender bauen wollte. Weil das Buch bald fertig werden
sollte, habe ich um ein Leihexemplar gebeten. Der Autor, Gert Baars aus
Holland, hat mir dann freundlicherweise sein Mustergerät geschickt.
So kam das Thema DDS noch mit einem weiteren Versuch ins Franzis-Buch.
Und Elektor bekam dafür einen DRM-Artikel. Im Dezemberheft 2003 habe
ich einfache Direktmischer mit dem DDS-Generator vorgestellt und beschrieben,
wie man einen Ringmischer selbst bauen kann.

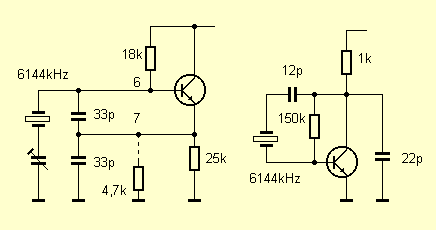
Einiges hat sich erst entwickelt, nachdem das Buch schon fertig war. Die ganze Zeit hatte ich gegrübelt, welche Standardquarze man für einen DRM-Empfänger nehmen könnte. Dann kam im Dezember die Umstellung auf die neue DRM-Norm und damit auch neue Software. In diesem Zusammenhang habe ich erst die wahren Qualitäten der neueren DREAM-Versionen erkannt. Zu meiner Schande muss ich nämlich gestehen, dass ich vorher viel zu lange mit der ersten Version gearbeitet hatte. DREAM besteht nicht auf einer ZF von genau 12 kHz. Und damit ergaben sich auf einmal ganz neue Möglichkeiten. Drei mögliche Stationen können mit einem Direktmischer und einem Quarz von 4 MHz oder 6,144 MHz empfangen werden. Diese Schaltung wurde mehrfach mit Erfolg nachgebaut, wovon einige Fotos in der Bastelecke zeugen.

Der ELEKTOR-DRM-Empfänger:
Die Zutaten für einen richtig guten DRM-Empfänger waren inzwischen
klar: DDS-Oszillator, am besten über den PC abgestimmt, ein übersteuerungsfester
Ringmischer, breites ZF-Filter, großsignalfester zweiter Mischer.
Mit Elektor zusammen wollte ich so etwas auf die Beine stellen. Mein Ziel
dabei war, dass alle Spezialbauteile leicht zu beschaffen sind und zusammen
nicht über 50 Euro kommen. Außerdem sollte der Empfänger
auch ohne HF-Erfahrung aufgebaut werden können. Wichtig war mir deshalb,
dass absolut kein Abgleich nötig ist. All diese Vorgaben haben zu
einigen Kompromissen geführt, die sich aber durchaus bewährt
haben. Der Empfänger arbeitet mit einer relativ tiefen ersten ZF von
455 kHz, ohne Vorselektion und ohne ALC. Zuerst hatte ich Bedenken wegen
der um 910 kHz höher liegenden Spiegelempfangsstelle. Bei allen wichtigen
DRM-Frequenzen liegt der Spiegel aber außerhalb anderer Rundfunkbänder.
Außerdem ist DRM sehr robust gegen einzelne Störträger
im Nutzspektrum. Deshalb habe ich bisher z.B. keine Störungen von
RTL-DRM durch CW-Signale aus dem 40-m-Band bemerkt (6095 kHz + 2 * 455
kHz = 7005 kHz). Die ALC habe ich auch nie vermisst, weil der DRM-Decoder
mit sehr großen Pegelunterschieden klar kommt.

Dieser Empfänger wurde in Elektor 3/2004 vorgestellt. Auf dieser Homepage gibt es jetzt eine eigene FAQ-Seite für das Gerät. Bei Elektor kann man die Platine bestellen. Wie bei allen Elektor-Projekten liefert Geist-Electronic komplette Teilesätze. Der Empfänger kann aber auch als fertig aufgebaute und getestete Platine bei der Firma AK Modul-Bus bestellt werden. Der Preis ist mit 119 Euro moderat im Vergleich zu anderen Geräten mit 12-kHz-Ausgang, die etwa bei 400 Euro anfangen und natürlich auch in vieler Hinsicht mehr bieten. Aber gerade für DRM hat sich das ganz einfache Konzept bewährt. Es werden Ergebnisse bis über 30 dB SNR erzielt. Besonders gefreut habe ich mich über die Rückmeldung von Volker Fischer, der ebenfalls über 30 dB sehen konnte, während das wesentlich teurere Gerät XXX nicht über 26 dB kommt. Volker Fischer hat übrigens die Abstimmung des Elektor-Empfängers mit in sein DREAM aufgenommen. Seitdem macht DRM erst richtig Spaß. Jetzt kann man die gerade aktiven Stationen in einem Menü sehen und direkt anklicken.

Mit DREAM kann man auch im Bereich Messtechnik viel anfangen. Auf der von Modul-Bus getragenen Internetseite ELEXS habe ich Messungen der ZF-Filterkurve vorgestellt. Es kamen mal Fragen nach der korrekten Anschlussimpedanz des verwendeten ZF-Filters. Wenn man grob von der Impedanz von 2 kOhm abweicht, kann das die Filterkurve verschlechtern. Hier wurde jedoch ein günstiger Verlauf festgestellt. Die Gesamt-Performance ermittelt man besser nicht nur mit der Antenne, sondern mit einem künstlichen DRM-Signal, das ebenfalls mit DREAM generiert werden kann. Als Aufwärtsmischer diente ein zweiter Empfänger von Elektor, der "falsch herum" benutzt wurde, d.h. nur der Mixer und die DDS waren im Einsatz. Die Ergebnisse sieht man ebenfalls in ELEXS.
Den Elektor-Empfänger hat nun auch die Zeitschrift Funk im Heft 4/2004 vorgestellt. Der Artikel geht zusätzlich auf die Möglichkeiten ein, mit der Platine und DREAM auch AM, SSB und CW zu empfangen. Tatsächlich eignet sich die Platine auch für die ersten Empfangsversuche im Bereich Amateurfunk.
DRM-Empfänger für RTL:
Im Heft 4/2004 hat sich auch das Magazin FUNKAMATEUR
erneut mit dem Thema DRM beschäftigt und einen kompletten Bausatz
für einen DRM-Direktmischer für nur 12 Euro herausgebracht. Dazu
wurde ein Spezialquarz mit 6107 kHz in größeren Stückzahlen
hergestellt. Damit kann man nun RTL-DRM auf 6095 kHz empfangen. Bei der
Entwicklung der Schaltung durfte ich helfen. Der Prototyp läuft hier
an einer Langdrahtantenne und liefert in den Spitzen bis zu 24 dB SNR (2
dB pro Euro!). Leider hat die Redaktion meine Schaltung an drei Stellen
geändert, und ich hatte keine Gelegenheit für eine Korrektur.
Deshalb hier der von mir an FA eingesandte Entwurf:

Die Unterschiede zwischen meiner Schaltung und der auf Seite 354 in FA 4/04: Im Bereich des Quarzoszillators wurden die Anschlüsse 6 und 7 vertauscht. Der Oszillator im NE612 ist ein Emitterfolger, deshalb kann der Oszillator so nicht schwingen. Die Betriebsspannung wird über eine Z-Diode begrenzt, daher sollte man eine höhere Betriebsspannung als 5 V verwenden. Der Eingang des NE612 liegt in der geänderten Schaltung an einem kapazitiven Spannungsteiler. Anders als in meiner Schaltung kann nun unter ungünstigen Bedingungen (z.B. bei Innenantennen) eine niederfrequente Störung z.B. mit 50 Hz eindringen. Dieser Effekt wurde an meinem entsprechend veränderten Muster tatsächlich beobachtet und führt zu einer totalen Übersteuerung des Mischers. Der Bausatz bekommt übrigens eine neue, berichtigte Platine.
Hinweis zum internen Oszillator im NE612: Man kann den NE612 auch mit einem anderen Quarz einzusetzen und wie in der 2-Transistor-Schaltung die Frequenz um bis zu 3 kHz nach oben ziehen. Das gelingt, wenn man den Trimmer in Reihe zum Quarz legt. Links sieht man die interne Oszillatorschaltung im NE612, eine Kollektorschaltung mit der Spannungsverstärkung 1. Gunther May, DL3ABQ hat den Hinweis gegeben, dass man für eine kräftigere Schwingung des Oszillators den Emitterwiderstand von außen zwischen Pin 7 und Masse verkleinern sollte. In letzter Zeit sendet RTL auch auf der neuen Frequuenz 5990 kHz. Hier kann ein Standardquarz mit 6000 kHz ohne Ziehen der Frequenz direkt am NE612 eingesetzt werden. Das DRM-Signal erscheint dann bei 10 kHz und kann mit DREAM decodiert werden. Man könnte die Quarze 6107 kHz und 6000 kHz umschaltbar einsetzen.

Rechts ist das Prinzip des Oszillators in Emitterschaltung mit hoher Spannungsverstärkung gezeigt. Der 22-pF-Kondensator am Ausgang dient hier nur für eine zusätzliche Phasendrehung.
Praxistest der Platine:
Heute (30.5.04) hatte ich endlich die Chance, den FU-Bausatz zu testen.
Die Platine ist wirklich schön geworden und funktioniert auch prima.
Nur leider wurde die Verschlimmbesserung der Eingangsschaltung durch die
FU-Redaktion trotz meiner Rückmeldung nicht korrigiert, was einige
kostbare dB kosten kann. Ich betreibe den Empfänger an einer Langdraht,
die über eine längere Strecke ohne Abschirmung durch die Wohnung
führt. Auf diesem Wege kommt so einiges an Netzbrumm dazu. Mit dem
unveränderten Bausatz schlägt das Brummen stark durch. Wegen
des invertierten Spektrums sieht man den Schmutz oben.
Also habe ich die Schaltung berichtigt. C3 wird überbrückt, und zum Pin1 des NE612 führt jetzt ein 100-nF-Koppelkondensator. Gegenüber meinem Muster wurde im Bausatz eine andere Spule verwendet. Mit C2=1000 pF und C1 = 270 pF liegt die Resonanz jetzt genau richtig.

Die Änderung an der Platine ist ganz einfach. C1 (270 pF) wird quer gestellt und C3 wird durch 100 nF ersetzt. Mit dieser Änderung läuft dann auch an meiner Antenne alles sauber. Jetzt wurden sogar SNR-Werte bis über 26 dB erreicht. RTL kommt heute am Pfingstsonntag um 11 Uhr hier in Essen ganz ohne Aussetzer. Sogar das Programm ist super, was will man mehr!

Freie Abstimmung für den Direktmischer:
Die Firma AK MODUL-BUS bietet einen einfachen, PC-abgestimmten DDS-Generator
an, der statt des Quarzes mit dem RTL-Empfänger verbunden werden kann.
Ohne Nachstimmen des Eingangskreises können dann alle DRM-Stationen
im 49-m-Band empfangen werden. Der Versuch wurde ausführlich in www.elexs.de
beschreiben.
Der DRT1 von Sat-Service Schneider
Dieses Empfängermodul für 10 kHz bis 30 MHz hat eine hohe
ZF von 45 MHz und zeigt hervorragende Empfangseigenschaften für DRM
und alle anderen Betriebsarten. Der Empfänger kann direkt mit DREAM
abgestimmt werden. Ein erster Testbericht steht in ELEXS. Inzwischen wurde
bei Modul-Bus eine Grundplatine mit allen Anschlüssen und Schnittstellen
entwickelt: Empfängermodul
DRT1 mit Grundplatine

G8JCF's Software Defined Radio
Peter Carnegie (G8JCF) entwickelte diese Software in zwei Versionen für den DRT1 und für den Elektor-DRM-Empfänger, die auf seiner Homepage www.g8jcf.dyndns.org/ zum freien Download bereitstehen. Eine genauere Beschreibung findet man in Elexs.

Ein neuer DRM-Decoder: Diorama, Real-Time DRM Receiver for Matlab
Andreas Dittrich und Torsten Schorr am Lehrstuhl für Nachrichtentechnik
der TU Kaiserslautern entwickelten den DRM-Decoder Diorama auf der Basis
von Matlab. Die Software kann frei geladen werden: http://nt.eit.uni-kl.de/forschung/diorama/
Systemvoraussetzung ist Matlab Version 5.2 (release 10) oder neuer.
DREAM 1.2.4
die letzte DREAM-Version kann man z.B. hier
laden. Wolfgang Hartmann hat alle Kommentare aus dem Programm isoliert
und in einer Datei zusammengefasst. So erhält man eine englische Bedienungsanleitung
und Erklärungen für die wichtigsten Funktionen. dreamv124.pdf
(56 kB)
80-m-SSB-Transceiver nach der dritten Methode
(1984)
Ein Blick zurück: Vor über 20 Jahren habe ich einen kleinen
SSB-Transceiver gebaut und in der cq-DL veröffentlicht. Die damals
eingesetzte "Dritte Methode" mit phasenverschobenen Oszillatoren
entspricht weitgehend dem heute verwendeten IQ-Verfahren, allerdings noch
ganz in Hardware realisiert. Hier der damalige Artikel als PDF-Datei: SSBtrx.pdf
(2543 KB)
Transceiver-Zwischenfrequenzteil nach der dritten
Methode (1983)
Ein Jahr früher habe ich in der cq-DL 1/1983 einen ZF-Zweig meines
Transceivers nach der dritten Methode vorgestellt. Das Gerät hatte
eine stufenlos einstellbare Filterbrandbreite, wie es heute mit dem SDR-Konzept
gelingt. Interessant ist auch, dass schon damals CMOS-Analogschalter als
Mischer eingesetzt wurden. TRXzf.pdf (3901
KB)
Morphy Richards Digital Radio
Das erste echte DRM-Radio ist da! Hier ein erster Testbericht.
Links zum Thema DRM:
Bezugsquelle für das DRM Software Radio: www.drmrx.org/
DREAM im Quelltext
Download der neuesten Deream-Version: DREAM.exe
Download DREAM
1.2.4, kompiliert für Windows und Linux, mit AM-Schedule
Erster Versuch mit einem Audionempfänger
Franzis-Buch DRM-Empfangspraxis
DRM-Seite von Ulf
Schneider
Elektor
12/2003: DRM im Selbstversuch
Elektor 3/2004: DRM-Empfänger 0,5...22
MHz
Sendeplan und andere DRM-Infos
Elektor März/2004: DRM-Empfänger,
auch als bestückte Platine bei AK-Modul-Bus.
Beschreibung in ELEXS
Elektor
April/2004: Antennen und Präselektoren für den DRM-Empfänger
Elektor April/2004: DREAM
selbst kompilieren
Elektor April/2004: Zwei Transistoren, ein Quarz, das warz
DRM-Messtechnik, Filterkurve und ein DREM-Prüfsender mit DREAM in
ELEXS
Funk April/2004:
DRM-Empfänger im Selbstbau
FUNKAMATEUR April/2004:
Digital Radio Mondiale: DRM-Starterkit zum Reinhören
MP3-Aufnahmen von DRM- und AM-Sendungen im Vergleich von Simone
Stoeppler
DRM-Empfänger mit Röhren: EL95,
EF95 und 1SH29B